Подойдет ли такая схема подключения телевизора середины 2000-х к компьютеру?

Какой переходник умеет такое преобразование?
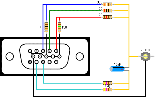
В принципе смикшировать из RGB композит не сложно. Но частоты развёртки у мониторов и телевизоров разные, ничего не выйдет.
Но частоты развёртки у мониторов и телевизоров разные, ничего не выйдет.
На коленке такой не спаяешь.
Может кто-то посоветует пару интересных способов подключения телевизора?
Может есть старые видеокарты с выходом RCA,
Может кто-то посоветует пару интересных способов подключения телевизора?
Вам понадобится кабель ценой 100...300 рублей за метр и средства грозозащиты.
В наличии коаксиальный кабель, которым кабельное ТВ транслировали, 75 Ом. Подойдёт?
М-м, покурить схему тиливизира и распаять на нем Video RGB Sync... Если есть возможность. Как в старые добрые времена спектрумов и клонов...
pba17 посмотри здесь
Если на телевизоре, вход RCA, то с этом контроллером должен работать.
Страницы: 1
Предыдущая тема: Нет сигнала Sparkle gtx 560 ti